Navigation

    VEYE IMAGING Forum

    • Register
    • Login
    • Search
    • Categories
    • Tags
    • Recent
    • Popular
    • Users
    • WIKI
    • veye.cc

    SOLVED Issues with RAW-MIPI-SC132M on Jetson Nano Dev Kit

    Machine Vision camera
    2
    9
    2041
    Loading More Posts
    • Oldest to Newest
    • Newest to Oldest
    • Most Votes
    Reply
    • Reply as topic
    Log in to reply
    This topic has been deleted. Only users with topic management privileges can see it.
    • A
      Antony last edited by

      Hi. I'm trying to make my RAW-MIPI-SC132M work on Jetson Nano Dev Kit. I am following the instructions on the wiki https://wiki.veye.cc/index.php/Mv_series_camera_appnotes_4_jetson

      I enter the following commands:

      v4l2-ctl -d /dev/video0 --set-ctrl roi_x=0
      v4l2-ctl -d /dev/video0 --set-ctrl roi_y=0
      v4l2-ctl -d /dev/video0 --set-ctrl preferred_stride=1088
      v4l2-ctl -d /dev/video0 --set-fmt-video=width=1080,height=1280,pixelformat=GREY --stream-mmap --stream-count=-1 --stream-to=/dev/null
      

      The last command stuck and nothing happens. At this moment the following entries appear in dmesg:

      [ 3896.073092] mvcam 7-003b: csi2_try format
      [ 3896.073100] mvcam 7-003b: mvcam_csi2_get_fmt_idx_by_code success
      [ 3896.161233] mvcam 7-003b: camera_common_mclk_enable: no device power rail
      [ 3896.671039] vi 54080000.vi: Calibrate csi port 0
      [ 3896.672606] mvcam 7-003b: camera_common_mclk_disable: no device power rail
      [ 3896.680473] mvcam 8-003b: camera_common_mclk_enable: no device power rail
      [ 3897.192654] vi 54080000.vi: Calibrate csi port 4
      [ 3897.194907] mvcam 8-003b: camera_common_mclk_disable: no device power rail
      [ 3897.202591] mvcam 7-003b: camera_common_mclk_enable: no device power rail
      [ 3897.722337] vi 54080000.vi: cil_settingtime was autocalculated
      [ 3897.722348] vi 54080000.vi: csi clock settle time: 13, cil settle time: 10
      [ 3897.728526] vi 54080000.vi: tegra_channel_error_status:error 4000 frame 0
      [ 3897.736817] vi 54080000.vi: tegra_channel_error_status:error 4000 frame 1
      [ 3897.745104] vi 54080000.vi: tegra_channel_error_status:error 4000 frame 2
      [ 3897.753514] vi 54080000.vi: tegra_channel_error_status:error 4000 frame 3
      .....
      [ 3901.245010] vi 54080000.vi: tegra_channel_error_status:error 4000 frame 414
      [ 3901.253394] vi 54080000.vi: tegra_channel_error_status:error 4000 frame 415
      [ 3901.261730] vi 54080000.vi: tegra_channel_error_status:error 4000 frame 416
      [ 3901.269192] mvcam 7-003b: camera_common_mclk_disable: no device power rail
      

      My setup:

      • Jetson Nano Dev Kit B00 (tegra210-p3448-0000-p3449-0000-b00)
      • JetPack 4.6.3, L4T 32.7.3
      • Kernel binary image from nvidia_jetson_veye_bsp (Image_l4t_r32.7.3_veyecam.tar.gz)
      • Device tree from nvidia_jetson_veye_bsp (dtbs/Nano/JetPack_4.6.3_Linux_JETSON_NANO_TARGETS/dts dtb/MV-MIPI-MVCAM/tegra210-p3448-0000-p3449-0000-b00.dtb)
      user@nano:~$ dmesg | grep mvcam
      [    1.936838] mvcam 7-003b: veye mv series camera driver version: 01.01.03
      [    2.438363] mvcam 7-003b: camera is: RAW-MIPI-SC132M
      [    2.438724] mvcam 7-003b: firmware version: 0x1040000
      [    2.445012] mvcam 8-003b: veye mv series camera driver version: 01.01.03
      [    2.946454] mvcam 8-003b: camera is: RAW-MIPI-SC132M
      [    2.946805] mvcam 8-003b: firmware version: 0x1040000
      [    3.128582] vi 54080000.vi: subdev mvcam 7-003b bound
      [    3.129269] vi 54080000.vi: subdev mvcam 8-003b bound
      ...
      user@nano:~/i2c_tools$ ./mv_mipi_i2c.sh -b 7 -r -f trgmode 
      r trigger mode is 0 
      user@nano:~/i2c_tools$ ./mv_mipi_i2c.sh -b 7 -r -f roi
      r roi is 0,0,1024,1280 
      user@nano:~/i2c_tools$ ./mv_mipi_i2c.sh -b 7 -r -f maxfps
      r maxfps @ current setting is 120.00 fps
      user@nano:~/i2c_tools$ ./mv_mipi_i2c.sh -b 7 -r -f fps
      r fps is 120.00 fps
      user@nano:~/i2c_tools$ ./mv_mipi_i2c.sh -b 7 -r -f pixelformat
      r pixelformat is 0
      

      What is the correct way to capture images from the camera?

      veye_xumm 1 Reply Last reply Reply Quote 0
      • veye_xumm
        veye_xumm @Antony last edited by

        @antony
        Please try qv4l2 first.

        sudo apt install qv4l2
        
        qv4l2 -d /dev/video0
        qv4l2 -d /dev/video1
        

        Then press preview button.

        1 Reply Last reply Reply Quote 0
        • A
          Antony last edited by

          Unfortunately this didn't help. The application shows a black screen, dmesg shows the same messages. I tried both cameras.

          What else can I try?

          veye_xumm 1 Reply Last reply Reply Quote 0
          • veye_xumm
            veye_xumm @Antony last edited by

            @antony
            I have not encountered this error message before. Can you take a picture of your hardware connections and I'll take a look?

            tegra_channel_error_status:error 4000 frame 0
            
            A 2 Replies Last reply Reply Quote 0
            • A
              Antony @veye_xumm last edited by

              @veye_xumm

              Connections looks correct.

              veye_1.jpg

              The following messages bother me

              [ 3897.194907] mvcam 8-003b: camera_common_mclk_disable: no device power rail
              
              1 Reply Last reply Reply Quote 0
              • A
                Antony @veye_xumm last edited by

                @veye_xumm

                I also connected the camera module to the Raspberry Pi according to the instructions on the page https://wiki.veye.cc/index.php/Mv_series_camera_appnotes_4_rpi

                To test the camera I used the following commands:

                user@raspberrypi:~ $ sudo dmesg | grep mvcam                                                                                                                                                  
                [    0.068850] platform fe801000.csi: Fixed dependency cycle(s) with /soc/i2c0mux/i2c@1/veyemvcam@3b                                                                                          
                [   11.272390] veye_mvcam: loading out-of-tree module taints kernel.                                                                                                                          
                [   11.273159] mvcam 10-003b: veye mv series camera driver version: 01.01.04                                                                                                                  
                [   11.278750] mvcam 10-003b: Unable to load veye_vbyone driver,will go on                                                                                                                    
                [   11.783067] mvcam 10-003b: camera is: RAW-MIPI-SC132M                                                                                                                                      
                [   11.784948] mvcam 10-003b: firmware version: 0x1040000                                                                                                                                     
                [   11.812785] mvcam 10-003b: mvcam_enum_controls success                                                                                                                                     
                [   11.814170] mvcam 10-003b: Consider updating driver mvcam to match on endpoint
                user@raspberrypi:~ $
                user@raspberrypi:~ $ v4l2-ctl --set-ctrl trigger_mode=0
                user@raspberrypi:~ $ v4l2-ctl --set-ctrl trigger_src=0
                user@raspberrypi:~ $ v4l2-ctl --set-ctrl frame_rate=120
                user@raspberrypi:~ $ v4l2-ctl --set-ctrl roi_x=0
                user@raspberrypi:~ $ v4l2-ctl --set-ctrl roi_y=0
                user@raspberrypi:~ $ v4l2-ctl --set-fmt-video=width=1080,height=1280
                user@raspberrypi:~ $ 
                user@raspberrypi:~ $ v4l2-ctl --set-fmt-video=width=1080,height=1280,pixelformat=GREY --stream-mmap --stream-count=-1 --stream-to=/dev/null --verbose                                         
                VIDIOC_QUERYCAP: ok                                                                                                                                                                           
                VIDIOC_G_FMT: ok                                                                                                                                                                              
                VIDIOC_S_FMT: ok                                                                                                                                                                              
                Format Video Capture:                                                                                                                                                                         
                        Width/Height      : 1080/1280                                                                                                                                                         
                        Pixel Format      : 'GREY' (8-bit Greyscale)                                                                                                                                          
                        Field             : None                                                                                                                                                              
                        Bytes per Line    : 1088                                                                                                                                                              
                        Size Image        : 1392640                                                                                                                                                           
                        Colorspace        : Rec. 709                                                                                                                                                          
                        Transfer Function : Default (maps to Rec. 709)                                                                                                                                        
                        YCbCr/HSV Encoding: Default (maps to Rec. 709)                                                                                                                                        
                        Quantization      : Default (maps to Full Range)                                                                                                                                      
                        Flags             :                                                                                                                                                                   
                                VIDIOC_REQBUFS returned 0 (Success)                                                                                                                                           
                                VIDIOC_QUERYBUF returned 0 (Success)                                                                                                                                          
                                VIDIOC_QUERYBUF returned 0 (Success)                                                                                                                                          
                                VIDIOC_QUERYBUF returned 0 (Success)                                                                                                                                          
                                VIDIOC_QUERYBUF returned 0 (Success)                                                                                                                                          
                                VIDIOC_QBUF returned 0 (Success)                                                                                                                                              
                                VIDIOC_QBUF returned 0 (Success)                                                                                                                                              
                                VIDIOC_QBUF returned 0 (Success)                                                                                                                                              
                                VIDIOC_QBUF returned 0 (Success)                                                                                                                                              
                                VIDIOC_STREAMON returned 0 (Success)                                                                                                                                          
                ^C
                user@raspberrypi:~ $ 
                user@raspberrypi:~ $ v4l2-ctl -d /dev/video0 --set-fmt-video=width=1080,height=1280,pixelformat=GREY --stream-mmap --stream-count=1 --stream-to=y8-1080x1280.raw --verbose                    
                VIDIOC_QUERYCAP: ok                                                                                                                                                                           
                VIDIOC_G_FMT: ok                                                                                                                                                                              
                VIDIOC_S_FMT: ok                                                                                                                                                                              
                Format Video Capture:                                                                                                                                                                         
                        Width/Height      : 1080/1280                                                                                                                                                         
                        Pixel Format      : 'GREY' (8-bit Greyscale)                                                                                                                                          
                        Field             : None                                                                                                                                                              
                        Bytes per Line    : 1088                                                                                                                                                              
                        Size Image        : 1392640                                                                                                                                                           
                        Colorspace        : Rec. 709                                                                                                                                                          
                        Transfer Function : Default (maps to Rec. 709)                                                                                                                                        
                        YCbCr/HSV Encoding: Default (maps to Rec. 709)                                                                                                                                        
                        Quantization      : Default (maps to Full Range)                                                                                                                                      
                        Flags             :                                                                                                                                                                   
                                VIDIOC_REQBUFS returned 0 (Success)                                                                                                                                           
                                VIDIOC_QUERYBUF returned 0 (Success)                                                                                                                                          
                                VIDIOC_QUERYBUF returned 0 (Success)                                                                                                                                          
                                VIDIOC_QUERYBUF returned 0 (Success)                                                                                                                                          
                                VIDIOC_QUERYBUF returned 0 (Success)                                                                                                                                          
                                VIDIOC_QBUF returned 0 (Success)                                                                                                                                              
                                VIDIOC_QBUF returned 0 (Success)                                                                                                                                              
                                VIDIOC_QBUF returned 0 (Success)                                                                                                                                              
                                VIDIOC_QBUF returned 0 (Success)                                                                                                                                              
                                VIDIOC_STREAMON returned 0 (Success)                                                                                                                                          
                ^C
                

                The last two commands freeze.

                I also tried using the qv4l2 application. As with Jetson, I got a black screen.

                Is there a way to check camera modules for hardware problems?

                veye_xumm 1 Reply Last reply Reply Quote 0
                • veye_xumm
                  veye_xumm @Antony last edited by

                  @antony
                  Indeed, the current indications suggest that I2C is working correctly and responding to your settings, but there seems to be an issue with the MIPI signal.
                  The cause of this issue could potentially be related to the installation direction of the FFC cable.

                  On the Raspberry Pi, you can refer to this link and try reading the error code.

                  ./mv_mipi_i2c.sh -r -f errcode
                  

                  Additionally, you can try reading the registers of the sensor using the command: snsreg.
                  Normally, you will get 0x0f on address 0x301f.

                  A 1 Reply Last reply Reply Quote 0
                  • A
                    Antony @veye_xumm last edited by

                    @veye_xumm

                    I've examined Raspberry PI 4 Model B schematics. According to schematics, camera connector has the following pinout and there is only one way to connect FFC cable to the connector.

                    debug_1.jpg

                    I also checked that the GND pin is on the top and the 3V3 pin is on the bottom.

                    debug_2.jpg

                    Entire connection diagram is as follows and this is the configuration I've used from the very beginning.

                    debug_3.jpg

                    Since the camera connector allows FFC cable to be connected on both sides, I've connected cable with the opposite side.

                    debug_4.jpg

                    In such connection scheme, the Raspberry Pi failed boot. It looks like there is a short circuit somewhere. But, Jetson Nano can handle that load ))) According to the readings from my power supply, power consumption increased from 2W to 10W and camera module gets extremely hot. It doesn't look like camera can work with such connection scheme.

                    Even after these experiments, I was able to connect to the camera and it did not report any errors.

                    user@raspberrypi:~/mv_tools_rpi $ ./mv_mipi_i2c.sh -b 10 -r -f manufacturer
                    Manufacturer is VEYE
                    user@raspberrypi:~/mv_tools_rpi $ ./mv_mipi_i2c.sh -b 10 -r -f model
                    model is RAW-MIPI-SC132M
                    user@raspberrypi:~/mv_tools_rpi $ ./mv_mipi_i2c.sh -b 10 -r -f errcode
                    errcode is 0x0 
                    user@raspberrypi:~/mv_tools_rpi $ ./mv_mipi_i2c.sh -b 10 -r -f snsreg -p1 0x301f
                    read sensor register addr 0x301f value 0xf
                    

                    Apparently both my modules are damaged and this cannot be detected with software.

                    veye_xumm 1 Reply Last reply Reply Quote 0
                    • veye_xumm
                      veye_xumm @Antony last edited by

                      @antony
                      You've made a very accurate analysis and testing, which is admirable.
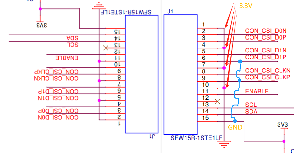
                      For this camera model, to save space, we use a double-sided contact connector, which indeed has caused some issues. We are planning to improve this module by replacing it with a 22-pin single-sided contact connector.

                      I, together with our hardware colleagues, conducted an analysis, and the results align with your test findings.
                      After reconnecting the FFC cable correctly following a reversal, the sensor's registers and error codes did not indicate a damaged state for the camera.

                      0cc7b86d-d1f6-4833-b373-dc0dc445c5ed-f5b019a3f2a6617992ded7348331e2b.png
                      In the case of reversed power connection, the pins that are actually damaged are CON_CS_D1P and CON_CSI_CLKP. Unfortunately, this issue cannot be detected through software.

                      1 Reply Last reply Reply Quote 0
                      • First post
                        Last post